一、軸測圖的概念
管道軸測圖(tu)(tu)(tu)又稱單(dan)管管段圖(tu)(tu)(tu)或單(dan)線圖(tu)(tu)(tu),是沿北(bei)向方向標(N),按(an)正等軸測投影繪制(zhi)的形(xing)象的管道立體視覺圖(tu)(tu)(tu)形(xing)。管道軸測圖(tu)(tu)(tu)供施(shi)(shi)工(gong)單(dan)位在施(shi)(shi)工(gong)現場(chang)預備(bei)管道材料(liao)并預制(zhi)、裝配的圖(tu)(tu)(tu)紙。
二、軸測圖的(de)內(nei)容
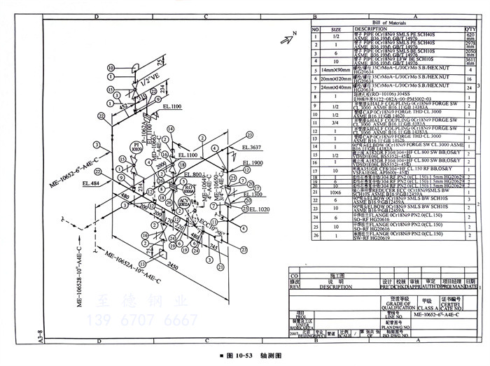
軸測(ce)圖(tu)主要包(bao)括五部分內容(rong)(圖(tu)10-53):管道軸測(ce)圖(tu)形(xing)、工程數(shu)據、管段材料表、北向標、圖(tu)簽。
1. 管道(dao)軸測(ce)圖(tu)形
管(guan)(guan)(guan)(guan)道(dao)軸測圖(tu)(tu)(tu)形是按照管(guan)(guan)(guan)(guan)道(dao)布置平(ping)面圖(tu)(tu)(tu)的設(she)計(ji),把管(guan)(guan)(guan)(guan)線(xian)(xian)的必要信息以及它們在空間(jian)中的相對位置表(biao)(biao)示出(chu)來的圖(tu)(tu)(tu)形,包括(kuo)管(guan)(guan)(guan)(guan)子、管(guan)(guan)(guan)(guan)件、閥門、儀表(biao)(biao)元(yuan)件代(dai)號、管(guan)(guan)(guan)(guan)線(xian)(xian)標高、管(guan)(guan)(guan)(guan)線(xian)(xian)長度(du)、介質流向、坡度(du)、管(guan)(guan)(guan)(guan)線(xian)(xian)號、管(guan)(guan)(guan)(guan)架、連接(jie)信息等(deng),尤(you)其是更加(jia)詳盡地表(biao)(biao)示出(chu)了在管(guan)(guan)(guan)(guan)道(dao)布置平(ping)面圖(tu)(tu)(tu)形上(shang)很難(nan)表(biao)(biao)達清楚的管(guan)(guan)(guan)(guan)道(dao)立管(guan)(guan)(guan)(guan)上(shang)的具(ju)體設(she)計(ji)。
2. 工程數據
工程數據包括(kuo)裝(zhuang)置及工區代號(hao)、管線號(hao)、配管圖(tu)號(hao)、軸測(ce)圖(tu)號(hao)、保溫涂漆代號(hao)、各種尺寸、標(biao)高和(he)管道標(biao)志、組件(jian)規格、編號(hao)、設計條件(jian)(溫度、壓(ya)力、保溫涂漆要求(qiu))、制作檢(jian)驗要求(qiu)等標(biao)注說明。
3. 管段材料表(biao)
管段(duan)材料表組成(cheng)該管段(duan)所有組件的(de)元件代碼(ma)名稱、管道(dao)材料的(de)描述(shu)和數(shu)量。
4. 北向(xiang)標和(he)圖(tu)簽
北向標和圖簽則需要根(gen)據工程項(xiang)(xiang)目的(de)具(ju)體(ti)情況(kuang)而(er)定。圖簽主要是項(xiang)(xiang)目名(ming)稱、設計(ji)日期、簽名(ming)(設計(ji)人、校(xiao)核(he)人、審(shen)核(he)人)、設計(ji)單位的(de)名(ming)稱等一些信息。

三、軸測圖的設(she)計(ji)方式
1. 從計(ji)算機三維模型中(zhong)抽取軸測圖(tu)
項目采用計(ji)(ji)算(suan)機三維模型計(ji)(ji)算(suan)機軟(ruan)件(jian)進行壓力管道設計(ji)(ji),如PDS、PDMS、AutoPlant、CADWorx、SP3D等軟(ruan)件(jian),可以使用軟(ruan)件(jian)的功能,自動生成(cheng)標準格(ge)式的軸測圖電子(zi)文檔(dang)。
2. 使用(yong)AutoPlant Isometrics 等專用(yong)軸測(ce)圖(tu)繪制軟件(jian)設(she)計軸測(ce)圖(tu)
一些工程項目,使(shi)用AutoCAD或者 Microstation 進行(xing)管道布置(zhi)平面圖(tu)的(de)設計(ji),使(shi)用AutoPlant Isometrics等專門(men)用于(yu)繪制(zhi)軸(zhou)測(ce)圖(tu)的(de)軟(ruan)件(jian)按照(zhao)管道布置(zhi)平面圖(tu),設計(ji)、繪制(zhi)軸(zhou)測(ce)圖(tu),軟(ruan)件(jian)可以自動(dong)生(sheng)成各種形式的(de)管道材料匯總報表。
3. 使用(yong) AutoCAD繪(hui)制管道軸(zhou)測(ce)圖
使用AutoCAD的專(zhuan)門用于繪制軸測(ce)圖的模式(執行“ddrmodes”命令,可(ke)以轉換到繪制軸測(ce)圖的模式)。
4. 手工繪制管道軸測圖
以前計(ji)算(suan)機技(ji)術落后的情況(kuang)下,人們通常在專門用(yong)(yong)于繪制(zhi)管道軸測圖(tu)(tu)(tu)的圖(tu)(tu)(tu)紙上繪制(zhi),與使用(yong)(yong)計(ji)算(suan)機繪制(zhi)相比:一(yi)方面(mian),速度慢,不宜修改;另一(yi)方面(mian),每(mei)一(yi)個設計(ji)人繪制(zhi)的風格不統一(yi)。現在已經很少使用(yong)(yong)手工繪制(zhi)管道軸測圖(tu)(tu)(tu)。
四(si)、軸測圖設計的一(yi)般(ban)要求(qiu)
①. SH/T 3052《石油化(hua)工(gong)配管工(gong)程設計圖例》等規范有(you)圖例符號(hao)的(de)相關規定。
②. 軸測圖無(wu)論管徑的大小,均采(cai)用單線繪制(zhi)管線,線條的寬度及(ji)字體規(gui)定可(ke)以根據所在項目的工(gong)(gong)程規(gui)定,也可(ke)以參見HG/T 20549《化工(gong)(gong)裝置(zhi)管道布置(zhi)設計工(gong)(gong)程規(gui)定》中(zhong)的規(gui)定。
③. 軸測(ce)圖(tu)(tu)上的(de)北(bei)向(xiang)N或者PN(Plant North)(圖(tu)(tu)10-54)通(tong)常指(zhi)向(xiang)圖(tu)(tu)紙的(de)右(you)上方,項目特(te)殊要求時也可以指(zhi)向(xiang)左上方,同一裝(zhuang)置(zhi)的(de)軸測(ce)圖(tu)(tu)上的(de)方向(xiang)標取向(xiang)應(ying)相同。軸測(ce)圖(tu)(tu)上的(de)北(bei)向(xiang)標與管道布置(zhi)圖(tu)(tu)上的(de)北(bei)向(xiang)標的(de)北(bei)向(xiang)應(ying)一致。

④. 除使用工程中(zhong)(zhong)(zhong)規(gui)定(ding)的(de)(de)縮寫詞外,圖中(zhong)(zhong)(zhong)是(shi)采(cai)用英(ying)文(wen)還是(shi)使用中(zhong)(zhong)(zhong)文(wen)應按照(zhao)項目(mu)的(de)(de)具體規(gui)定(ding)。
⑤. 管道軸測圖不(bu)必按比例繪(hui)制,但相對比例要協調。
⑥. 閥門的手柄方向(xiang)應表示(shi)在(zai)軸(zhou)測圖(tu)上(圖(tu)10-55)。
⑦. 軸測(ce)圖的尺寸標注
a. 水平(ping)管(guan)道(dao)的(de)標注。尺(chi)寸線應與管(guan)道(dao)相(xiang)平(ping)行,尺(chi)寸界線為垂直(zhi)線。尺(chi)寸的(de)大(da)小要和管(guan)道(dao)布(bu)置(zhi)平(ping)面圖(tu)上一致。從鄰近(jin)的(de)主要基(ji)準點到(dao)各個獨立的(de)管(guan)道(dao)元(yuan)件如孔板(ban)法蘭、異(yi)徑管(guan)、拆(chai)卸用(yong)的(de)法蘭、儀表(biao)接口(kou)、不(bu)等徑支(zhi)管(guan)的(de)尺(chi)寸,不(bu)應畫封閉尺(chi)寸,如圖(tu)10-56所示的(de)管(guan)道(dao)軸測圖(tu)中(zhong)的(de)尺(chi)寸D、E、F。
b. 管(guan)線上法蘭、閥門(men)和其(qi)他管(guan)道元件(jian)的(de)標(biao)注。一般要標(biao)出相對的(de)位置,在立管(guan)上的(de)閥門(men)和其(qi)他元件(jian)需表示(shi)出標(biao)高(gao)(圖10-57)。
c. 管線的特(te)殊角(jiao)度(非正南、正北、正東、正西、正上(shang)(shang)、正下的情(qing)況(kuang))應該表示在軸測圖上(shang)(shang)(圖10-58)。
⑧. 在軸(zhou)測圖上需要表示出連接管道的信息(圖10-59),以便查找。
⑨. 使用AutoCAD繪制軸(zhou)測圖(tu),匯總(zong)(zong)管(guan)(guan)道材(cai)料需要使用其他(ta)專門開發的(de)計算機軟件,或者是經過Excel和Access另外(wai)統計、匯總(zong)(zong)管(guan)(guan)道材(cai)料,實現自動快速(su)生成管(guan)(guan)段表,與Auto-CAD繪制的(de)軸(zhou)測圖(tu)形配合使用。
⑩. 使(shi)用 AutoPlant Isometrics、PDS、PDMS、SmartPlant 3D等軟件,在(zai)軸測(ce)圖上會(hui)自(zi)動生成管段材料表。


五、管(guan)道布置平(ping)面圖(tu)和管(guan)道軸(zhou)測圖(tu)常用圖(tu)例
管道布置平(ping)面圖和管道軸測(ce)圖常用圖例見表(biao)10-6~表(biao)10-12。也(ye)可參考SH/T 3052或HG 20519所提供的圖例。








